Heat sinks

High performance heat sinks

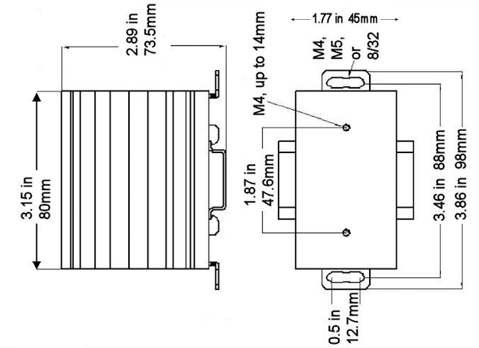
HEATSK-DIN-2.0 heat sink for many 3-25 amp applications, din rail mount or screw mount:

heatsink for 2.0 applications


Typical example:

heat sink and solid state relay